Submitted by:
Glenn Clark
VersaTech Electronics
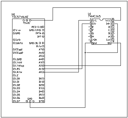
This application note gives examples of common shift register logic ICs that can be used to increase the I/O capacity of a TICkit (or any other microprocessor). A ZIP file containing the schematics and code for this note can be downloaded by following the link. For input purposes, a 74HC165 8bit shift register is used. With this device 8 inputs are loaded into the shift register when the S/L pin is brought low. When the S/L pin is returned high, the level of input H appears on the Qh output and can be read by the TICkit. Upon each successive clock, another of the inputs appears on the Qh output. By clocking the device 8 times all the inputs at the time of the S/L latch can be read into the TICkit. By daisy-chaining multiple 74HC165 devices together, as many inputs as are desired can be achieved using only 3 of the TICkit pins. 2 of these 3 pins can be shared with other serial devices, also. The code of the library file: U74165.lib shows how to clock the data into the TICkit and follows the diagram.

; Functions to control a 74HC165 shift register for additional inputs
; These functions rely on three defines to work properly
; u74165_rst = Chip Select pin Must have a separate line
; u74165_clk = Clock control pin Can share a data line with other device '
; u74165_data = data pin must be a dedicated line or 'ored with'
a resistance (>10k) to another serial
data line
;*******************************************
; Function to Read a Byte from the u74165
;*******************************************
FUNC byte read_u74165
LOCAL byte count_out 8b
BEGIN
pin_low( u74165_clk ) ; make pin an output, needed when sharing buss
pin_low( u74165_rst ) ; latch enable chip
pin_high( u74165_rst ) ; latches inputs into shift register
=( exit_value, 0b )
REPEAT
=( exit_value, <<( exit_value ))
IF pin_in( u74165_data )
++( exit_value )
ENDIF
pulse_out_high( u74165_clk, 1w )
--( count_out )
UNTIL ==( count_out, 0b )
ENDFUN
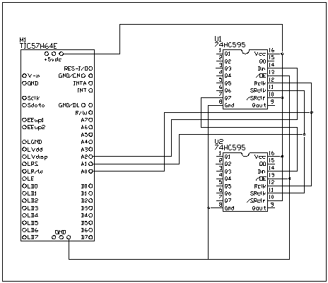
In the same way that a 74165 can be used to gain additional inputs, the 74594 or 74595 can be used to gain additional outputs. These devices are shift registers with LATCHED parallel outputs. The latched outputs are necessary to prevent level glitches as data is shifted into the device. The 74594 is the preferred device because it has an input pin to clear the outputs. However, the 74594 is harder to find a source for than the 74595. Two other ICs the 74597 and 74596 exist which are open collector versions of the same devices, respectively, and can be used for driving up to 35ma per output. This is suitable for most smaller 12v relays, and almost all LED's. This circuit below shows an 8bit output circuit while the diagram that follows shows a 16bit output circuit achieved by daisy-chaining two devices together.

The library code for writing 16 bits out output to two devices is as follows:
; Functions to control a 74HC594 latched shift register for additional outputs
; These functions rely on three defines to work properly
; u74594_rst = Chip Select pin Must have a separate line
; u74594_clk = Clock control pin Can share a data line with other device '
; u74594_data = data pin Can share a data line I.E. a LCD'
;*******************************************
; Function to Write a word out to the u74594
;*******************************************
FUNC none write_u74594
PARAM word comm_data
LOCAL byte count_out 16b
BEGIN
pin_low( u74594_clk ) ; make pin an output, needed when sharing buss
pin_low( u74594_rst ) ; latch enable chip
REPEAT
IF <>( and( comm_data, 0y1000000000000000w ), 0b )
pin_high( u74594_data )
ELSE
pin_low( u74594_data )
ENDIF
pulse_out_high( u74594_clk, 1w )
=( comm_data, <<( comm_data ))
--( count_out )
UNTIL ==( count_out, 0b )
pin_high( u74594_rst ) ; disable chip
ENDFUN
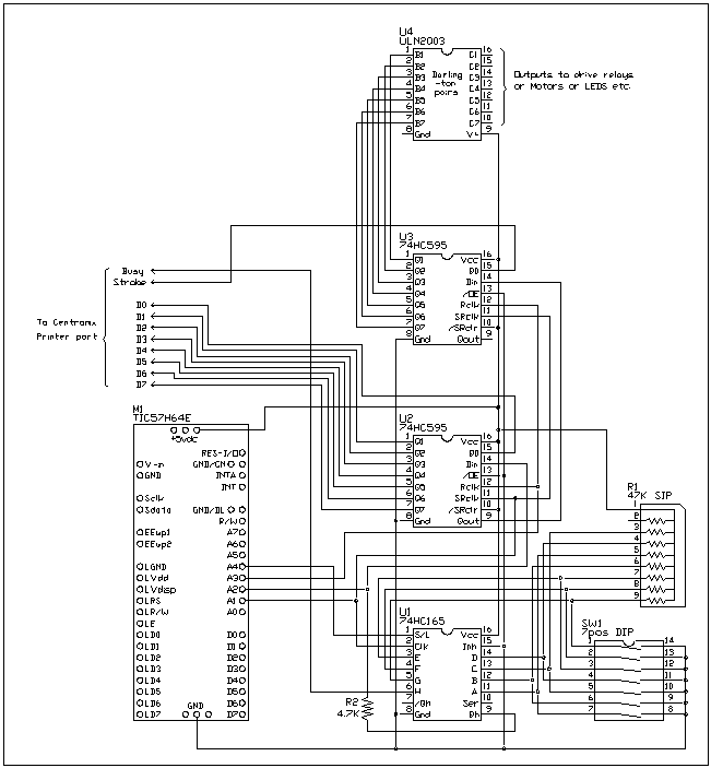
The final example of this application note shows how 74165 devices and
74595 devices can be combined in a typical real application. This circuit
shows the 74165 being used to read DIP switches for setup information and
the 74595s being used for controlling relays and for sending output to
a centronix type printer. These are suitable uses for this approach since
none of these uses would be expected to require fast level changes. Because
this is a serial interface, this technique is not suitable for fast changing
signals.

This program is not a complete strip chart recording program, but could easily be made into one with the addition of an LTC1298 for taking voltage measurements or a D1620 for taking temperature measurements. Use this program as a skeleton if you have use for this type of program.
; Strip Chart Recording Program. This program serves as an example of
; using 74165 and 74595 devices to implement a simple strip chart
; recording device that prints to an Epson compatible printer.
DEF tic57_e
LIB fbasic.lib
DEF u74165_rst pin_a3
DEF u74165_clk pin_a1
DEF u74165_data pin_a2
LIB u74165.lib
DEF u74594_rst pin_a4
DEF u74594_clk pin_a1
DEF u74594_data pin_a2
LIB u74594w.lib
GLOBAL word outputs ; image of serial outputs
ALIAS byte prn_data outputs 0 ; data bits to printer port
ALIAS byte cont_data outputs 1 ; control outputs for relays etc.
DEF strobe_pin 0y000000001b
GLOBAL byte inputs ; image of serial inputs
; dip switch setting might be used to indicate
; frequency of sampling data and/or relay
; control for heating elements or vacuum controls
DEF busy_pin 0y10000000b
FUNC none prn_char ; function to send data to the printer
PARAM byte prn_char
BEGIN
REP
=( inputs, read_u74165())
UNTIL ==( and( inputs, busy_pin ), 0b )
; loop until printer is not busy
=( prn_data, prn_char )
write_u74594( outputs )
; raise strobe pin to high (low= active)
=( cont_data, and( cont_data, not( strobe_pin )))
write_u74594( outputs )
; stobe data to the printer
=( cont_data, or( cont_data, strobe_pin ))
write_u74594( outputs )
; raise strobe pin to high (low= active)
ENDFUN
FUNC none prn_string ; function to send a string the printer
PARAM word pointer
LOCAL byte data
LOCAL word temp_pntr
BEGIN
=( temp_pntr, pointer )
=( data, ee_read( pointer ))
WHILE <>( data, 0b )
prn_char( data )
++( temp_pntr )
=( data, ee_read( temp_pntr ))
LOOP
ENDFUN
FUNC none main
BEGIN
; should initialize relay or other control data here also
=( cont_data, or( cont_data, strobe_pin ))
write_u74594( outputs )
; ensure that strobe to printer is inactive
=( inputs, read_u74165())
; read whatever setup data is required
prn_string( "Strip Chart is now recording..." )
REP
; in this loop is where actual readings would be taken
; and graphic commands would be sent to the printer to
; draw the chart.
; this loop might be combined with some sort of relay control
; as in the case of some sort of environmental testing.
IF ==( and( inputs, 0x7fb ), 0b )
delay( 100 )
ELSEIF ==( and( inputs, 0x7fb ), 1b )
delay( 200 )
ELSEIF ==( and( inputs, 0x7fb ), 2b )
delay( 500 )
ELSEIF ==( and( inputs, 0x7fb ), 3b )
delay( 1000 )
ELSEIF ==( and( inputs, 0x7fb ), 4b )
delay( 2000 )
ELSEIF ==( and( inputs, 0x7fb ), 5b )
delay( 5000 )
ELSEIF ==( and( inputs, 0x7fb ), 6b )
delay( 10000 )
ELSEIF ==( and( inputs, 0x7fb ), 7b )
delay( 20000 )
ENDIF
LOOP
ENDFUN
Summary:
Many may recognize the similarity between this approach and common 3-wire interfaces such as those used by Dallas and National for A/D or time keeping devices. In fact, these techniques are entirely compatible with these devices. You may use the same data and clock lines for connecting to any number of additional 3-wire devices. Only one 74165 device may connect to the data input line however. This is because the 74165 does not tri-state the data line. Rather a resistor is used to allow all the other devices on the data line to "over-power" the 74165 level. The 74165 is seen by the TICkit only when all other devices connected to the data line are in a non-selected and therefore tri-state level.
Where suitable, this technique reduces the physical size of a circuit, simplifies PCB layout and increases current drive capacities per area of devices.
Protean Logic Inc. Copyright 05/05/04 Top of Page